Сравнение
Личный кабинет
Корзина

Робот Kawasaki ZX130S

Робот Kawasaki ZX130S
Робот Kawasaki ZX130S
Цена по запросу
Под заказ
Хочу в подарок
Вы можете оставить контакты того, который приобретет вам этот товар
Хочу скидку
Подпишитесь на нашу рассылку, чтобы не пропустить момент, когда на товар будет действовать скидка
Дополнительные услуги:
Бесплатная доставка от 100 тыс. руб.

Характеристики

  • Производитель - Kawasaki
  • Страна производитель - Япония
Все характеристики
Описание

Для самого разнообразного спектра работ, начиная от перемещения разнообразных материалов и заканчивая точечной сваркой, идеально подходит промышленный робот Kawasaki ZX130S с его обширной рабочей зоной.


грузоподъемность: 130 кг
радиус действия: 2 651 мм
количество осей:
точность: ±0,3 мм

Области применения:

  • Точечная сварка
  • Сварка трением
  • Сборка
  • Обслуживание станков
  • Перемещение материалов
  • Механическая обработка
  • Распределение наполнителей

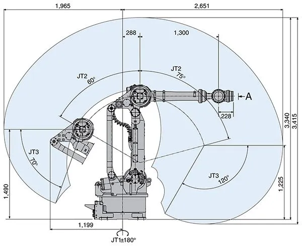
Размеры и диапазоны движения

Kawasaki ZX130S 2.jpeg

Kawasaki ZX130S 3.jpeg

Kawasaki ZX130S 4.jpeg


Характеристики:

Тип Шарнирный робот
Управляемых осей (Степени свободы) 6
Полезная нагрузка на кисть (кг) 130
Предельная досягаемость (мм) 2 651
Повторяемость (мм) ✽1 ±0.3
Угол поворота (°) Рука вращение (JT1) ±180
Рука вперед-назад (JT2) +75 - −60
Рука вверх-вниз (JT3) +250 - −120
Запястье поворот (JT4) ±360
Запястье сгиб (JT5) ±130
Запястье вращение (JT6) ±360
Максимальная скорость (°/s) Рука вращение (JT1) 110
Рука вперед-назад (JT2) 110
Рука вверх-вниз (JT3) 110
Запястье поворот (JT4) 140
Запястье сгиб (JT5) 135
Запястье вращение (JT6) 230
Момент силы (N•m)✽2 Запястье поворот (JT4) 735
Запястье сгиб (JT5) 735
Запястье вращение (JT6) 421.4
Момент инерции (kg•m2)✽2 Запястье поворот (JT4) 107.8
Запястье сгиб (JT5) 107.8
Запястье вращение (JT6) 45.9
Масса (кг) 1 350
Цвет корпуса соответствует Munsell 10GY9/1
Монтажное положение Floor
Встроенные функции Воздуховод (12мм × 2)
Требования по электропитанию (kVA)✽3 7.5
Контроллер Америка и Европа E02
Япония и Азия E02

✽1: Значение соответствует ISO9283. 
✽2: В случае использования поворотный стол, должен быть закреплен соответствующими болтами и штифтами. 
✽3: В зависимости от нагрузки и характера движения.

Видеообзор модели:

Характеристики
Артикул 195687
Производитель Kawasaki
Страна производитель Япония
Досягаемость 2651 мм
Количество осей 6
Применение Точечная сварка, Сварка трением, Сборка, Обслуживание станков, Перемещение материалов, Механическая обработка, Распределение наполнителей
Грузоподъемность 130 кг
Тип роботов Большие роботы грузоподъемностью до 300 кг
Монтажное положение Пол
Оплата и доставка
Доставка во все регионы России и за ее пределы
  • Доставка по адресам, расположенным в пределах европейской части России, обычно занимает не более двух-трёх рабочих дней — с понедельника по пятницу.
  • Доставка по адресам, расположенным за пределами страны, обычно занимает больше времени, но мы стараемся отправлять наши заказы самым быстрым способом.
Варианты получения продукции
Самовывоз
197345, Россия, Санкт-Петербург, ул. Оптиков д. 30, стр. 1, пом. 1-Н
Пожалуйста, предупреждайте заранее о Вашем приезде для подготовки закрывающих документов.
Для забора продукции необходима печать или доверенность.
Курьерская доставка по указанному адресу
При единовременном заказе оборудования и материалов на сумму от 100 000 рублей, доставка до терминала транспортной компании в городе заказчика — бесплатно! *
Стоимость и сроки доставки:
  • Санкт-Петербург и ЛО: от 300 руб., 1 раб. день.
  • Москва и МО: от 500 руб., 1-2 раб. дня.
  • Регионы и заграница: уточняйте по контактным телефонам в Москве и Санкт-Петербурге.

* - бесплатная доставка не распространяется на акционные товары

Оплата с помощью банковской карты

Для выбора оплаты товара с помощью банковской карты на соответствующей странице сайта необходимо нажать кнопку «Оплата банковской картой». Оплата происходит через авторизационный сервер Процессингового центра Банка с использованием Банковских кредитных карт следующих платежных систем:
VISA International
MasterCard World Wide
Оплата банковскими картами VISA
К оплате принимаются все виды платежных карточек VISA, за исключением Visa Electron. В большинстве случаев карта Visa Electron не применима для оплаты через интернет, за исключением карт, выпущенных отдельными банками.
О возможности оплаты картой Visa Electron вам нужно выяснять у банка-эмитента вашей карты.
Оплата кредитными картами MASTERCARD
На сайте к оплате принимаются все виды MasterCard.
Видео
Оставить отзыв
Ваша оценка

Техническая документация

Похожие товары

Досягаемость
1 240 мм
Количество осей
6
Грузоподъемность
5 кг
Под заказ
Досягаемость
1 925 мм
Количество осей
6
Точность
0.05 мм
Под заказ
Досягаемость
1300 мм
Интерфейсы
Ethernet TCP/IP, MODBUS Master, MODBUS Slave, MODBUS/TCP, Serial RS-232C
Количество осей
6
Под заказ
Робот Kawasaki MT400N
По запросу
Досягаемость
3503 мм
Количество осей
6
Точность
±0.5 мм
Под заказ
Вес нетто
210 кг
Досягаемость
до 1853 мм
Количество осей
6
Под заказ
Робот Delta DT1208
По запросу
Досягаемость
600 мм
Количество осей
3 / 3+1(Прямое подключение двигателя)
Грузоподъемность
8 кг
Под заказ
Интерфейсы
Ethernet TCP/IP, MODBUS Master, MODBUS Slave, MODBUS/TCP, Serial RS-232C
Грузоподъемность
105 кг
Под заказ
Робот Yaskawa GP88
По запросу
Вес нетто
630 kg
Количество осей
6
Грузоподъемность
88 kg
Под заказ

Преимущества работы с нами

Прямые поставки от производителей
Любая форма оплаты
Собственный склад оборудования
Квалифицированные специалисты

Будьте в курсе

Подпишитесь на последние обновления и узнавайте о новинках и специальных предложениях первыми
Нажимая кнопку «Подписаться», вы подтверждаете согласие на обработку персональных данных.
Пользуясь сайтом, вы соглашаетесь с использованием cookies и политикой конфиденциальности.