Робот для покраски Kawasaki KF194
Хочу в подарок
Вы можете оставить контакты того, который приобретет вам этот товар
Хочу скидку
Подпишитесь на нашу рассылку, чтобы не пропустить момент, когда на товар
будет действовать скидка
Дополнительные услуги:
Бесплатная доставка от 100 тыс. руб.
Описание
Краткие характеристики:
| грузоподъемность: | 12 кг |
| радиус действия: | 1 978 мм |
| количество осей: | 6 |
Области применения:
Покраска



Взрывозащищенный окрасочный робот KF194 отличается малым рабочим радиусом и полым запястьем 3R (Roll, Roll, Roll) с внутренним диаметром 70 мм для размещения шлангов большего размера.
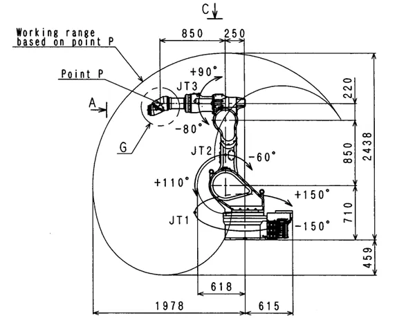
Размеры и диапазоны движения



Детальные характеристики
| KF194 | |||
| Тип запястья | 3Rø70 ✽1 | ||
|---|---|---|---|
| Управляемых осей (Степени свободы) | 6 | ||
| Полезная нагрузка на кисть (кг) | Запястье: 12 Рука: 20 | ||
| Предельная досягаемость (мм) ✽2 | 1 978 | ||
| Повторяемость (мм) ✽3 | ±0.5 | ||
| Угол поворота (°) | Рука вращение (JT1) | ±150 | |
| Рука вперед-назад (JT2) | +110 - −60 | ||
| Рука вверх-вниз (JT3) | +90 - −80 | ||
| Запястье поворот (JT4) | ±720 | ||
| Запястье сгиб (JT5) | ±720 | ||
| Запястье вращение (JT6) | ±410 | ||
| Момент силы (N•м) | Запястье поворот (JT4) | 35.3 | |
| Запястье сгиб (JT5) | 27.7 | ||
| Запястье вращение (JT6) | 7.9 | ||
| Момент инерции (кг•м2) | Запястье поворот (JT4) | 1.44 | |
| Запястье сгиб (JT5) | 0.89 | ||
| Запястье вращение (JT6) | 0.10 | ||
| Максимальная скорость (м/сек) | 2.0 | ||
| Масса (кг) | 750 | ||
| Цвет корпуса | соответствует Munsell 10GY9/1 | ||
| Монтажное положение | Пол, стена | ||
| Взрывозащита | Европа, Китай, Корея | Сочетание датчика внутреннего давления и искробезопасного исполнения (Ⅱ2G Expxib ⅡB T4 / Exib ⅡB T4) | |
| Условия окружающей среды (эксплуатации) | Температурный режим (°C) | 0 - 40 | |
| Относительная влажность (%) | 35 - 85 (строгое отсутствие конденсата или инея) | ||
| Требования по электропитанию (kVA) ✽4 | 5 | ||
| Контроллер | Америка | - | |
| Европа | E45 | ||
| Япония и Азия | E25 | ||
✽1: Встроенный шланг.
✽2: Запястье 3R (Roll Roll Roll) в 6-осевом роботе это расстояние от центра JT1 до точки пересечения JT4 и JT5.
✽3: Значение соответствует ISO9283.
✽4: В зависимости от нагрузки и характера движения.
Видеообзор покрасочных роботов Kawasaki:
Характеристики
| Артикул | 195633 |
| Производитель | Kawasaki |
Оплата и доставка
Доставка во все регионы России и за ее пределы
- Доставка по адресам, расположенным в пределах европейской части России, обычно занимает не более двух-трёх рабочих дней — с понедельника по пятницу.
- Доставка по адресам, расположенным за пределами страны, обычно занимает больше времени, но мы стараемся отправлять наши заказы самым быстрым способом.
Варианты получения продукции
Оплата с помощью банковской карты
Для выбора оплаты товара с помощью банковской карты на соответствующей странице сайта необходимо
нажать кнопку «Оплата банковской картой». Оплата происходит через авторизационный сервер
Процессингового центра Банка с использованием Банковских кредитных карт следующих платежных систем:
VISA International
MasterCard World Wide
VISA International
MasterCard World Wide
Оплата банковскими картами VISA
К оплате принимаются все виды платежных карточек VISA, за исключением Visa
Electron. В большинстве случаев карта Visa Electron не применима для оплаты через интернет, за исключением
карт, выпущенных отдельными банками.
О возможности оплаты картой Visa Electron вам нужно выяснять у банка-эмитента вашей карты.
О возможности оплаты картой Visa Electron вам нужно выяснять у банка-эмитента вашей карты.
Оплата кредитными картами MASTERCARD
На сайте к оплате принимаются все виды MasterCard.
Оставить отзыв
Похожие товары
Преимущества работы с нами
Прямые поставки от производителей
Любая форма оплаты
Собственный склад оборудования
Квалифицированные специалисты
Будьте в курсе
Нажимая кнопку «Подписаться», вы подтверждаете согласие на обработку
персональных данных.